MY BLOG.COM
Pages
Home
About blog
Gallery
Energy
Research & Analysis
EE Projects
Downloads
Your Feedback
Wednesday, October 30, 2013
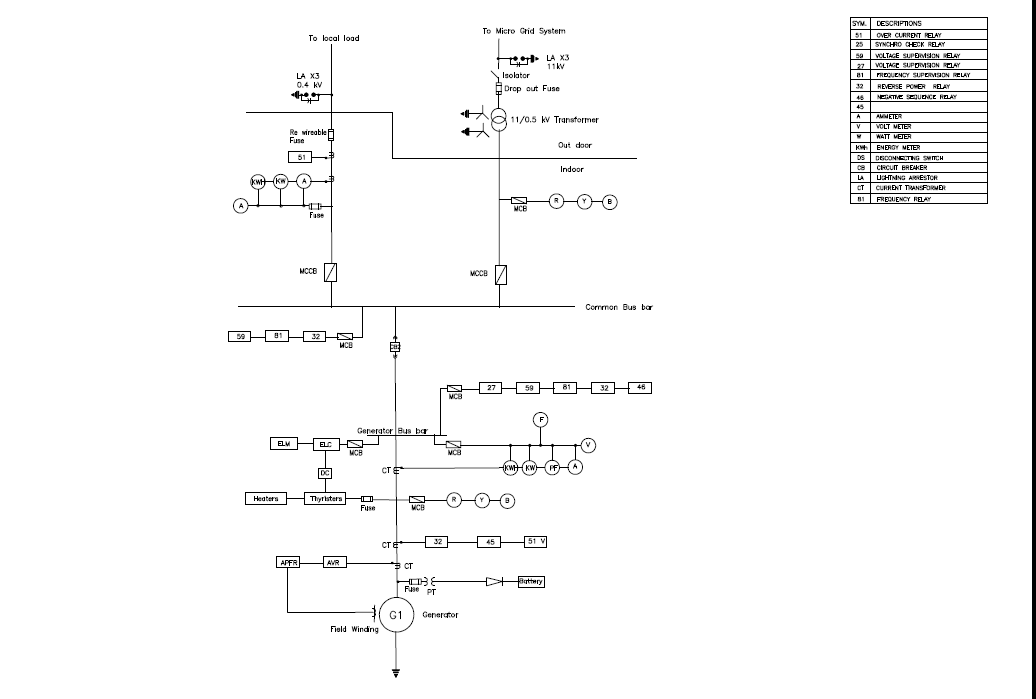
Single Line Diagram of Local Micro Grid Connection
No comments:
Post a Comment
THANKS
Newer Post
Older Post
Home
Subscribe to:
Post Comments (Atom)
No comments:
Post a Comment
THANKS